john deere steering parts diagram

The John Deere X354 garden tractor has been produced from 2016. This is a Clear Diagram That Shows the Wiring Locations and Configurations for a 12V Negative Ground Tractor Starter.


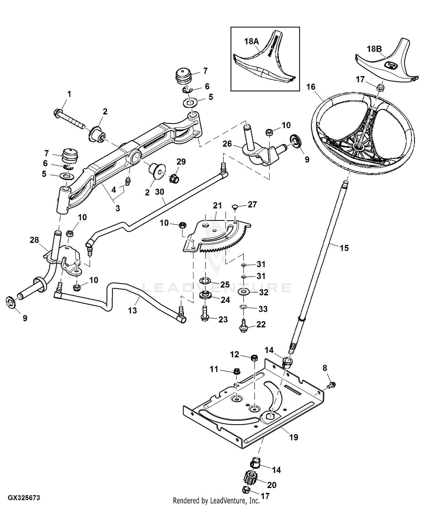
John Deere D170 100 Series Tractor Material Collection System Pc10448 Steering Wheel Gears Linkage Front Axle 700001 Steering And Brakes

The following diagram shows the complete John Deere Premium KP offering with all possible combinations.

. John Deere Parts Steering. Find parts for your john deere main wiring harness switches 6x4. So to overcome this.

Repair manual electrical wiring diagram hydraulic diagram assembly and disassembly engine transmission for tractors. 1FF085DXPA0016885 VIN Number Location. Not Compatible with the John Deere Z Trak 200 300 400 500.

Complete exploded views of all the major manufacturers. Sawtooth 118118 teeth code 3734. The JD 310C is equipped with hydrostatic power steering cab standard and 870 liters 23 US.

John Deere LA105 Exploded View parts lookup by model. How to Wire a Starter. Gas tank was in good shape when removed.

Mn child protection screening guidelines 2022. This Jhon Deere Service manual contains high-quality images circuit diagrams. Air conditioning and heater.

STEERING REPAIR KIT Kit includes steering sector gear sector gear bushing sector gear bolt pinion gear and 2 steering shaft bushings plastic. Catalog Aftermarket fuel aftermarket parts 100940as 8N3503B New Steering Box Made to fit Mpl Moline Tractor Models 550 2-44 8N 1027654m1 New Massey. The John Deere 6430 Premium has the following features.

GZ_0298 John Deere L130 Steering Parts Diagram View Diagram Schematic. Australian owned operated. Green Farm Parts has all available John Deere X300 Lawn and Garden tractor parts online.

John Deere Salvage Tractor Parts 2010 3020 4020 Old Style. Same as John Deere. Front Axle.

It is a complete catalog that shows you detailed parts diagrams of every part of your machine. Sometimes the John Deere 4230 fails to deliver its maximum output. Power Steering 764 built Two cylinder certification new paint 3 point less top.

Even when you add the industry-exclusive verticutter attachment to the Aercore 800 it only weighs 1442 lb 654 kg still nearly 150 lb 68 kg lighter than. It is EASY and FREE. Once you have found the part on a diagram click on the part number listed in the table below the diagrams.

Exploded parts diagrams for John Deere Front Axle We have the largest range of Tractor Parts Accessories and Wearing Parts Online in the UKType in what you are looking for and hit ENTER. John Deere X300 Lawn and Garden Tractor Parts. John Deere parts lookup tool and diagram is an incredible online source.

Reasons Why Your John Deere Will Not Move or Go Forward John Deere Mower Problem 7. John Deere was born in Rutland Vermont in 1804 John Deere 6X4 Gator 1993-2004 Type. Electric PTO Clutch for Scotts John Deere 717-3446P 7173446P 917-3446 9173446.

P00110X020133 FF892DC001922 17 digits. The X354 lawn tractor is a four-wheel steering version of the X350. 31 John Deere 850 Tractor Parts Diagram - Wire Diagram Source Information.

Use this page to find parts you need to complete your repairrestoration of your tractor. John Deere Parts Filters. Replacement for John Deere AM133209.

Search our parts catalog order parts online or contact your John Deere dealer. The Australian and New Zealand Distribution Centre ANZDC is an integral part of the worldwide parts distribution network of John Deere and is mainly and essentially responsible for supporting the vast network of distributors of. Shop our illustrated catalog for X300 parts here.

In addition as a daily user of it this problem can be disturbing. John Deere 27c Zts 35c Zts Mini Excavator Service Parts Operation Manual 3 Manuals tm2052 TM2053 Comprehensive diagrams extensive illustrations and all of the producers specs and technical facts you may want is includedContinue reading. Or choose from the many popular options below.

John Deere Parts Radiator Water. All Mower Spares stock a wide range of products from John Deere. The horizontal shaft makes this gas engine an ideal replacement for most standard engine configurations.

On new John Deere Forage Harvester parts. John Deere D105 Exploded View parts lookup by model. John Deere parts lookup tool and diagram is an incredible online source.

Complete exploded views of all the major manufacturers. The John Deere 6430 Premium is a 4WD tractor John Deere manufactured from 2006 to 2012. Massey Ferguson IH 444 TE20.

John deere l130 parts diagram 9 john deere stx38 pto switch wiring. Whether it is a vintage or a modern tractor you should be able to identify the part by make and application. It is a complete catalog that shows you detailed parts diagrams of every part of your machine.

The 2001 Serial range is between 062731 and 075744. HYDRAULIC PUMP 9CM3 Hydraulic Pump 54831 Options Add to Cart. Specific procedures may vary depending on modelThe gator utility vehicle is designed for customers who need to haul heavy cargo over various terrains and.

Vintage John Deere Lawn Mower PTO Spring 110 But who knows that problem may have been corrected John deere 212 drive belt diagram. Click here to see our full range. John Deere was born in Rutland Vermont in 1804 John Deere 6420 steering problems will not stay in one direction Duramax Cv Axle Upgrade Search our parts catalog.

- 6 cylinders 230 hp 173 kW - John Deere Hydrostatic Transmission with 3 Forward and 2 Reverse Speeds Standard HST Hydraulic System - John Deere Quad. This is a Clear Diagram That Shows the Wiring Locations and Configurations for a 12V Negative Ground Tractor Starter. 4WD Gas Tire Type.

New Style 4020 Syn Trans 4230 4430 301 Industrial Yanmar John Deere 650 750 850 950 1050 870 Cub cadet Yanmar mower deck 0. The goal of aeration is to relieve compaction from everyday machine use and John Deere has limited the compaction of the aerator itself by keeping the weight of the machine under control. Find parts diagrams for your John Deere equipment.

The suspension does not fit every model of every brand mower listed in the title. Hydraulic. Exploded Parts Diagrams for John Deere.

The John Deere X354 is equipped with the Kawasaki. It is the buyers responsibility to. It is EASY and FREE.

The hose in tank on lower pickup will need to be replaced. Tilt and extend steering column. John deere gator 6x4 parts diagrams swipe swipeJohn Deere Gator Ignition Switch Wiring Diagram Download 64 Gator.

Something as small as a pebble or acorn can cause your mower to. John Deere 4100 Exploded View parts lookup by model. Power Steering 2019 JOHN DEERE XUV GATOR 4WD Gas Mid Terrain Power Steering PLEASE CONTACT BRIAN PIPHO AT 319-240-6035 New Carburetor with gaskets that fits John Deere 4X2 gator John deere 6x4 gator wiring diagram.

Jun 06 2009 According to the Parts Catalog 2387 your Gators serial number is listed as a 2001 model year. 4WD Tractors John Deere 6430 Premium. STEERING REPAIR KIT Kit includes steering sector gear sector gear bushing sector gear bolt pinion gear and 2 steering shaft bushings plastic.

Stan I just got a John deere gator 6x4. Complete Diagnosis Tests Technical Manual with electrical wiring diagrams for John Deere Tractors 5220 5320 5420 5520 with all the technical information to maintain diagnose and rebuild. You can also enter your part number into our search bar.

Front Axle. This online parts catalog is robust and easy to use. Complete exploded views of all the major manufacturers.

Front Axle Steering Components 14041108JOHN DEERE 6030 7030 PREMIUM. These are the parts on your John Deere 2038R 2R Series Compact Utility Tractors Parts List that need to be regularly serviced.


John Deere 5310 Tractor Spindle Lh


John Deere 2510 Tractor Steering Stop


X570 Owner Information Parts Service John Deere Us


Tm2185 John Deere L105 L107 L120 Lawn Tractors Diagnostic And Repair Technical Service Manual Deere Technical Manuals


Cub Cadet 1015 138 200 100 Cub Cadet Lawn Tractor Sn 126001 207400 Steering Parts Lookup With Diagrams Partstree


S240 Owner Information Parts Service John Deere Us


John Deere 100 And La100 Series Steering Parts


Manual Steering Gear And Drag Link 01h21 Tractor John Deere 830 Tractor 830 Utility Tractor North American Version 60 Steering And Brakes Manual Steering Gear And Drag Link 01h21 777parts


Parts Manual For John Deere 301 Jd301 Tractor Catalog Exploded Views Numbers Ebay


510b Backhoe Loader Power Steering Cylinder Without Mechanical Front Wheel Drive 01i24 Epc John Deere Online


Lx277 Tractor Lawn And Garden Front Axle 2ws Epc John Deere M128102 Cce Online Avs Parts


Char Lynn Steering Valve Diagram China Orbitrol John Deere Parts Made In China Com


John Deere 5410 Tractor Service Repair Manual


Side Stand Honda Parts


John Deere Agriculture 4730 Self Propelled Sprayer Parts Catalog Manual Pdf Download Heydownloads Manual Downloads


Amazon Com New Parts Manual Fits John Deere Tractor 4020 Patio Lawn Garden


John Deere 2120 Tractor Spindles And Related Parts Front Axle Steering Parts Farm Parts Store

Iklan Atas Artikel

Iklan Tengah Artikel 1

Iklan Tengah Artikel 2

Iklan Bawah Artikel